2010
CA08103002Z-EN
www.eaton.comDM4 soft starters
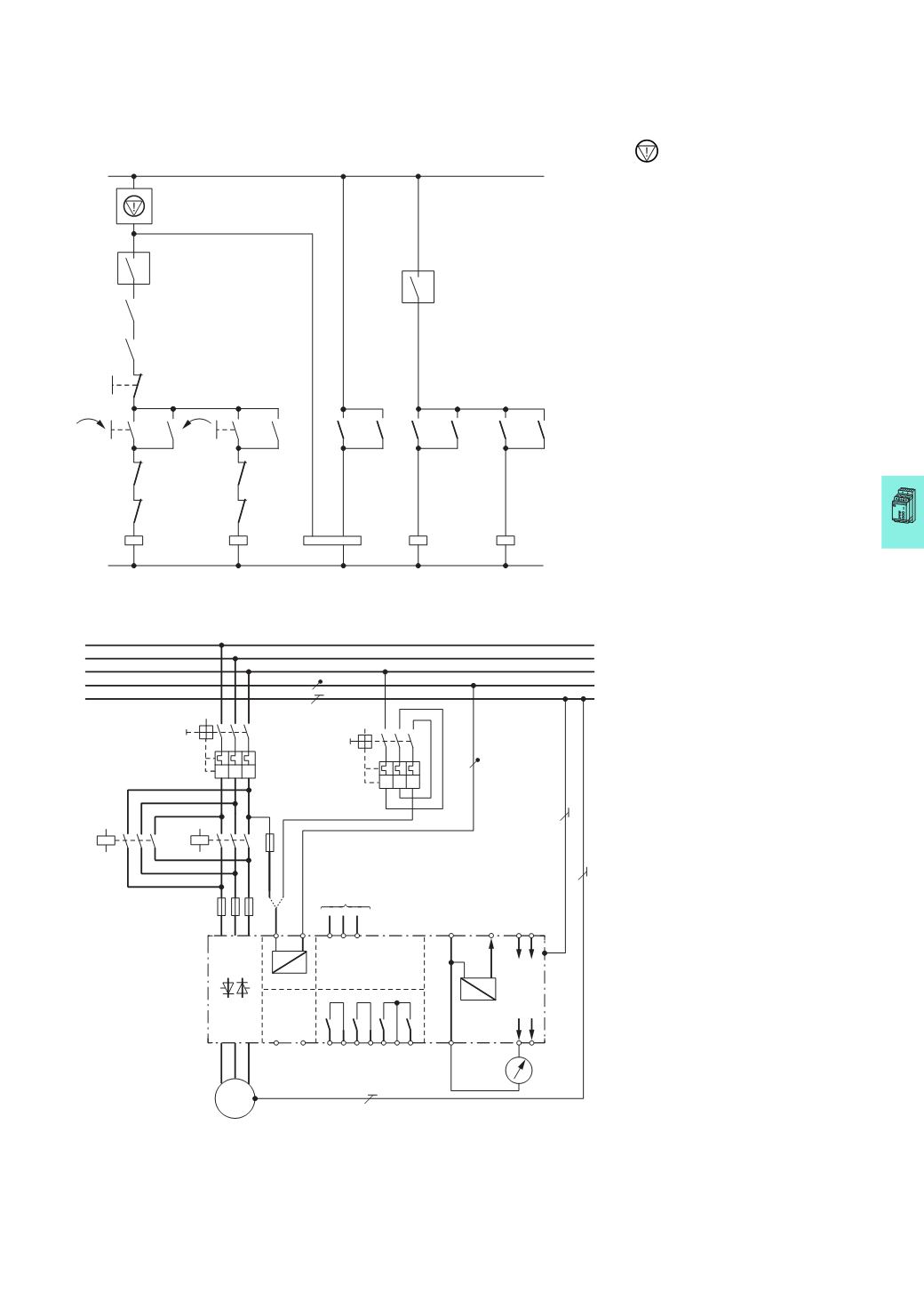
Connection examples
9/49
DM4
Connectionexamples
Soft starters with reversing circuit
Actuation
= Emergency switching off
S1: Off (uncontrolled deceleration)
S2: On
①
Enable
②
Soft start/Soft stop
①
See actuation
②
Control voltage through Q1 and F11 or
through Q2
③
Motor current indication
E1: Start/stop
E2: Enable
K1
FWD
E2
Q12
K2
K2
Q11
K1
+ 24 V
0
V
33
34
REV
STOP
Q21
Ready
Q1
Q21
39
E1
Q2
K2
K1
K2
K1
FWD
REV
a b
Q11
Q12
Q12
K2
Q11
K1
13
14
Q21
RUN
~
=
~
=
7
M
M1
Q21
F3
3
~
L1
L2
L3
N
PE
L
N E1 E2 39
13
K1;RUN K2;TOR K3 K4
14 23 24 33 34 43
1
L1
3
L2
5
L3
2
T1
4
T2
6
T3
+12 8 1
7
62 63
PE
0
V (E1;E2)
+12 V
H
REF 1: 0–10 V
REF 2: 4–20 mA
T1 T2
Q1
Q11
Q12
F1
Q2
a
I
mot
0
V Analog
Analog Out 1
Analog Out 2
0
V Analog
b
c
I
>
I
>
I
>
I
>
I
>
I
>




