31
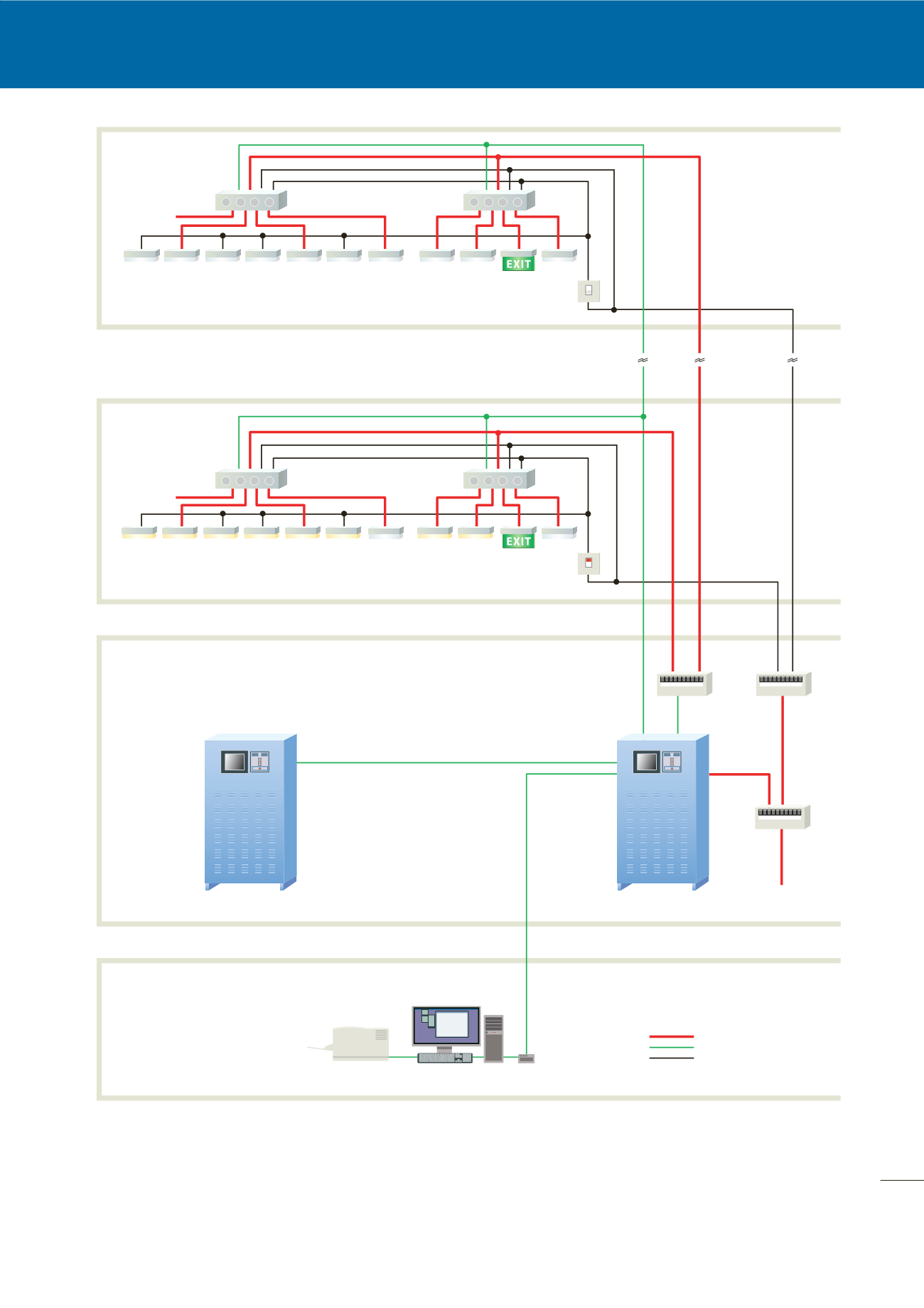
www.emergi-lite.co.ukEMEX Test layout schematic – MXD4 substations
EMEX Test layout schematic – MXD4 substations |
EMEX Test
PC
CONTROL ROOM
PLANT ROOM
FIRST FLOOR
SECOND FLOOR
THIRD FLOOR
FOURTH FLOOR
FIFTH FLOOR
SIXTH FLOOR
SEVENTH FLOOR
AC Power
Local inputs
Modem
Incoming
mains supply
On
Non/Maint
Non/Maint
Mains/EM
Mains/EM
Mains
Mains
Mains
Mains/EM
Mains/EM
Mains
Maintained
Non/Maint
Non/Maint
Mains/EM
Mains/EM
Mains
Mains
Mains
Mains/EM
Mains/EM
Mains
Maintained
MXD4
MXD4
MXD4
MXD4
Em lighting DB
EMEX CBS
EMEX CBS
Lighting DB
Off
Unused output
Unused output
Data
A version of this schematic in PDF format can be found at
www.emergi-lite.co.uk/schematic




