71
Customer Services Hotline • 01952 675612 Technical Support Helpline • 01952 675689
L1
L2
L3
L1
L2
L3
A
D
B
L
M
B
L
M
B
L1
L2
L3
L1
L2
L3
L
M
B
L
M
B
L1
L2
L3
L1
L2
L3
L
M
B
L
M
B
L1
L2
L3
L1
L2
L3
A
D
B
L
M
B
L
M
B
KNX DEVICES
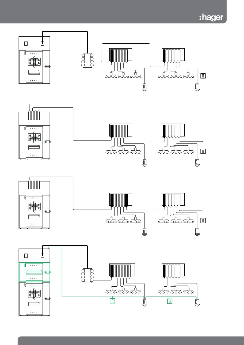
System Layouts
Configurations
Standard layout utilising home run cable and area distribution box to supply
lighting circuits.
Standard layout utilising multi circuit distribution box to supply lighting circuits.
Standard layout utilising multi circuit distribution box to supply lighting circuit
with daisy chaining of LMBs, LMBs controlled independently.
Standard layout utilising home run cable and area distribution box with control provided by KNX system.




