67
Customer Services Hotline • 01952 675612 Technical Support Helpline • 01952 675689
Sw2
A
D
B
1
2
3
7
4
6
T
T
T
T
T
T
T
5
8
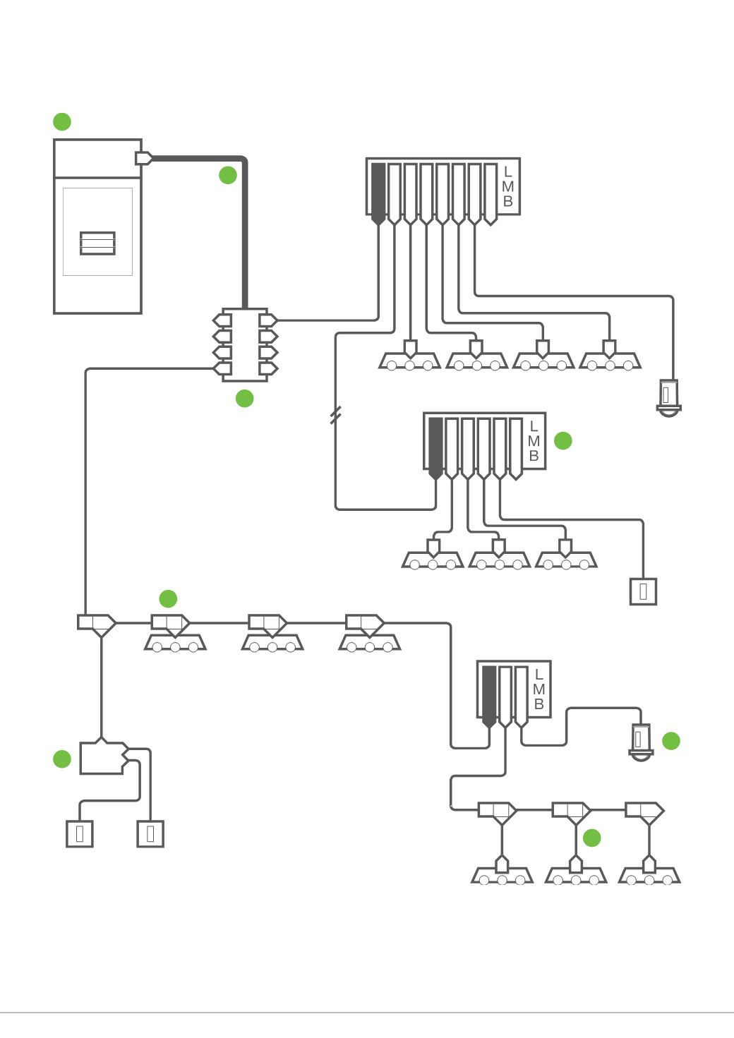
Notes: Installation couplers to BS 61535 only are intended for connection and disconnection without load only.
The installation coupler is not suitable for use in readily accessible areas.
BS 8488 - Prefabricated wiring systems to this standard by different manufacturers might not be compatible nor safely inter-connectable.
Installation coupler systems are not replacements for the national domestic plug and socket-outlet system.




