17/202 Circuit-breakers, switch-disconnectors
Construction size 2: accessories
2010 CA08103002Z-EN
www.eaton.comConstruction size 2:accessories
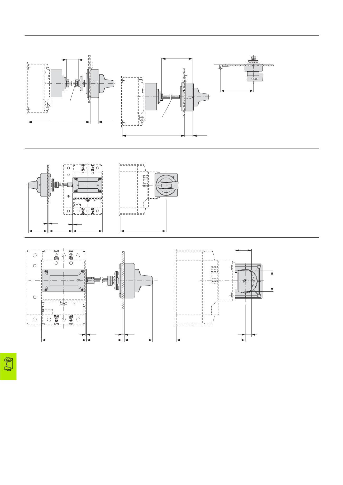
Door coupling rotary handle with extension shaft
NZM2-XTVD(V)(R)-60(-NA)
NZM2-XTVD(V)(R)-0(-NA)
Minimum distance of door coupling rotary handle from door
pivot point
① Special tip
Main switch assembly kit for side wall installation
NZM2-XS(R)-L
NZM2-XS(R)-R
23
g
0.5
NZM1/2-XV...
205 – 249
16 – 60
23
g
0.5
a
172 – 205
41 – 75
NZM...2-...
f
130
105
95-310
73.5
0.5
2-5
170.5
105
95-310
73.5
0.5
2-5
170.5
15
41
51.5
NZM2-XTVD..., NZM2-XS...




