Page 500 - 0700-schn-encl-10

Basic HTML Version

7/65
ETU modular spacers
● Modular spacers for installing devices or rails at a different level from that
achieved with the basic chassis or mounting plate.
● Material: zinc-coated steel.
Supply: 20 units.
References by unit. Order by multiples of 20 units (20, 40, 60, etc.).
Combination of spacers
Minimum height (mm)
Maximum height (mm)
NSYETU48 + NSYETU48
53
64
NSYETU48 + NSYETU58
63
74
NSYETU48 + NSYETU79
85
95
NSYETU48 + NSYETU118
124
134
NSYETU58 + NSYETU58
73
84
NSYETU58 + NSYETU79
94
104
NSYETU58 + NSYETU118
134
144
NSYETU79 + NSYETU79
84
125
NSYETU79 + NSYETU118
124
164
NSYETU118 + NSYETU118
164
204
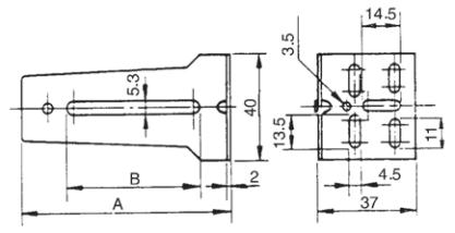
A (mm)
B (mm)
Reference
48
25
NSYETU48
58
25
NSYETU58
79
55
NSYETU79
118
55
NSYETU118
Rails
07_050_066_SPA003.indd 65
4/1